Le porte-piles du commerce est bien volumineux et bien lourds, on peut en fabriquer de plus petits ...

On est souvent confronté au manque de place ... ... alors, voici 3 modèles qui n'utilisent pas les piles AA pour donner les 6 volts nécessaires au récepteur et aux servos. |
|
 | | Modèle utilisé sur le wagon de la petite loco, à plat au-dessous du récepteur. |
|  | | Avec des piles AAA, une autre version. |
|  | | Modèle pour toute petite pile de 6 volts se plaçant à côté du récepteur. |
|
|
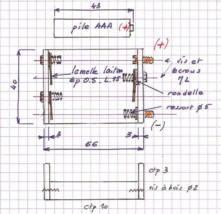
 porte pile plat pour piles AAA |
|

Matériel :du contreplaqué de 3 et de 10 d'épaisseur, vis et écrous M2, vis à bois, laiton de 0.5 pour les contacts, ressort de diamètre 5 extérieur (choisir l'extrémité plane pour le contact avec le cul de la pile - pas comme sur la photo ci-contre !).
Bien vérifier que les contacts soient serrés. |
|  |
Montage sans soudure : une extrémité du ressort passe dans un trou de de 2.5 et cette extrémité est coincée par une rondelle serrée par un écrou sur la vis traversant le montage. L'écrou se trouvera à l'extérieur du contreplaqué |
|
|
 | | Deux trous ajoutés pour la fixation sur le plancher. |
|  | | Piles en place et au-dessus, un "capot" en tôle. |
|  | | Le "capot" maintient les piles en place. |
|
|
 modèle classique pour piles AAA | | C'est, en réduction, le modèle que l'on trouve en plastique dans le commerce. Je me demande pourquoi on ne le fabrique pas ... |
|
 Dessin des faces supérieures et inférieures. Elles sont en contreplaqué de 3 mm et 1 ou deux fentes sont réalisées à la lame de scie à métaux.
Ces faces seront reliées par du contreplaqué de 1 mm d'épaisseur et des baguettes empêcheront les piles de rouler. Un élastique maintiendra les 4 piles AAA.
L'ensemble est collé à la colle de menuisier et ... ça tient ! |
|  | Le matériel : ressort de compression RC105 (Octant) dont le diamètre intérieur est de 3.2 ; vis et écrous M2 ; plat de laiton de 0.5 d'épaisseur ; ctp 3 et 1 mm ; baguette de bois de 1.5 x 2 : fil de laiton ;colle à bois. |
|
|
 | | collages |
|  | | face supérieure |
|  | | Face inférieure |
|
|
Si, lors du montage les piles chauffent, c'est qu'on s'est trompé de câblage !
|
|
 encore plus petit | Cette fois on utilise une pile de 6 volts de 13 mm de diamètre (colliers anti-fuge ou anti-aboiement pour chiens). Un inconvénient, cette pile s'use très vite ... Mais je n'en ai pas trouvé de rechargeable. Dommage.
|
|
 On peut remplacer le tube en laiton par un tube en plastique ou un tube de médicament.
Le matériel : tube laiton de 13 x 15 ; rond de laiton pour boucher le fond ; une bague en téflon (le bois peut convenir) ; vis M3 et écrous, domino en laiton ; ressort de récupération.
La fixation du fil négatif est pratique avec le domino mais on peut aussi percer le fond.
|
|  | Tous les éléments. |
|
|
Le tube devra recevoir une lumière pour pouvoir sortir facilement la piles car elle risque de coincer un peu dans le cas du tube de 13 x 15. Ce tube sera aussi percé et taraudé d"un côté pour recevoir une vis bloquant le manchon isolant en téflon. On peut aussi faire une rainure qui permet un meilleur blocage de la vis ... |
|  | | Soudure d'un domino à l'étain : il va remplacer la vis qui se trouve sur le fond. |
|  | | Montage terminé, la pile est en place. |
|
|
 |
|